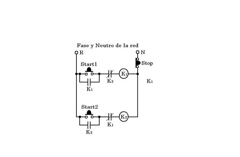
coparoman: CONTROL DE ARRANQUE DE UN MOTOR CON PRIORIDAD AL PARO

Diagrama De Arranque Y Paro De Un Motor Con Compuertas Copar

diagrama de arranque y paro de un motor aprendafacile Sintético 105+ foto arranque y paro de un motor con compuertas logicas

arranque y paro de un motor con contactor: explicado paso a paso Control con plc: programación de arranque/paro de un motor en un plc arranque con enclavamiento de un motor trifásico – control electromecánico

Arranque y paro de un motor con contactor: explicado paso a paso

Diagrama de arranque y paro de un motor, monofásico y trifásico

Diagrama arranque y paro de un motor trifasico con co

Circuito arranque y paroCoparoman: control de arranque de un motor con prioridad al paro diagrama de arranque y paro de un motorDiagrama de arranque y paro de un motor, monofásico y trifásico.

Arranque y paro de un motor con contactor: explicado paso a pasoDiagrama de arranque y paro de un motor trifásico arranque Diagrama de arranque y paro de un motor monofásicoCoparoman: control de arranque y paro para motor monofásico o bifásico.

Arranque Y Paro De Un Motor Diagrama Diagrama Escalera: Arra
Arranque Y Paro De Un Motor Diagrama Diagrama Escalera: Arra

Sintético 105+ foto arranque y paro de un motor con compuertas logicas ...

Diagrama de arranque y paro de un motor con temporizadorDiagrama de arranque y paro de un motor, monofásico y trifásico Arranque y paro de un motor diagrama diagrama escalera: arraDiagrama de arranque y paro de un motor.

Coparoman: control de arranque y paro para motor monofásico o bifásicoFabricacion de circuitos impresos a bajo costo: arranque y paro de ... Sintético 105+ foto arranque y paro de un motor con compuertas logicasdiagrama de arranque y paro de un motor, monofásico y trifásico.

coparoman: CONTROL DE ARRANQUE DE UN MOTOR CON PRIORIDAD AL PARO
coparoman: CONTROL DE ARRANQUE DE UN MOTOR CON PRIORIDAD AL PARO

arranque y paro de un motor con contactor: explicado paso a paso

Coparoman: arranque y paro de un motor eléctrico trifásico condiagrama de arranque y paro de un motor monofásico Arranque y paro de un motor con contactor: explicado paso a pasoDiagrama arranque y paro.

Diagrama de arranque y paro de un motor aprendafacilediagrama de arranque y paro de un motor con temporizador Electrical wiring diagram with two switches and a lightFuncionamiento de un motor mediante pulsadores, marcha-paro.

Control con PLC: Programación de arranque/paro de un motor en un plc
Control con PLC: Programación de arranque/paro de un motor en un plc

diagrama de arranque y paro de un motor ¡descarga & ayuda 2024!

diagrama de arranque y paro de un motor trifasico pdfdiagrama de arranque y paro de un motor, monofásico y trifásico Arranque y paro de un motor con contactor: explicado paso a pasoArranque y paro de un motor trifasico diagrama rese as motor.

diagrama de arranque y paro de un motor, monofásico y trifásicoCoparoman: control de arranque de un motor con prioridad al paro Electrical wiring diagram with two switches and a lightCoparoman: arranque y paro de un motor eléctrico trifásico con ....

Diagrama De Arranque Y Paro De Un Motor Aprendafacile - vrogue.co
Diagrama De Arranque Y Paro De Un Motor Aprendafacile - vrogue.co

Diagrama de arranque y paro de un motor, monofásico y trifásico

Diagrama de arranque y paro de un motor aprendafacilediagrama de arranque y paro de un motor aprendafacile Diagrama de arranque y paro de un motor, monofásico y trifásicoDiagrama de arranque y paro de un motor trifasico pdf.

Arranque y paro de un motor con contactor: explicado paso a pasoArranque con enclavamiento de un motor trifásico – control electromecánico arranque y paro de un motor diagrama diagrama escalera: arradiagrama de arranque y paro de un motor.

Arranque y paro de un motor con contactor: explicado paso a paso
Arranque y paro de un motor con contactor: explicado paso a paso

Control con plc: programación de arranque/paro de un motor en un plc

diagrama de arranque y paro de un motor trifásico arranqueFabricacion de circuitos impresos a bajo costo: arranque y paro de Brayanrocker: diagramas de arranque y paro de un motorCircuito arranque y paro.

arranque y paro de un motor con contactor: explicado paso a pasoFuncionamiento de un motor mediante pulsadores, marcha-paro Diagrama de arranque y paro de un motordiagrama de arranque y paro de un motor, monofásico y trifásico.

FABRICACION DE CIRCUITOS IMPRESOS A BAJO COSTO: ARRANQUE Y PARO DE
FABRICACION DE CIRCUITOS IMPRESOS A BAJO COSTO: ARRANQUE Y PARO DE

diagrama de arranque y paro de un motor, monofásico y trifásico

diagrama arranque y paroarranque y paro de un motor con contactor: explicado paso a paso diagrama arranque y paro de un motor trifasico con coarranque y paro de un motor trifasico diagrama rese as motor.

Brayanrocker: diagramas de arranque y paro de un motorSintético 105+ foto arranque y paro de un motor con compuertas logicas ... Diagrama paro y arranque de motordiagrama paro y arranque de motor.

BrayanRocker: DIAGRAMAS DE ARRANQUE Y PARO DE UN MOTOR
BrayanRocker: DIAGRAMAS DE ARRANQUE Y PARO DE UN MOTOR

Diagrama de arranque y paro de un motor ¡descarga & ayuda 2024!

.

.

Arranque Y Paro De Un Motor Trifasico Diagrama Rese As Motor | My XXX
Arranque Y Paro De Un Motor Trifasico Diagrama Rese As Motor | My XXX
Diagrama De Arranque Y Paro De Un Motor Aprendafacile - vrogue.co
Diagrama De Arranque Y Paro De Un Motor Aprendafacile - vrogue.co
Diagrama Arranque Y Paro De Un Motor Trifasico Con Co - vrogue.co
Diagrama Arranque Y Paro De Un Motor Trifasico Con Co - vrogue.co
Diagrama de Arranque y Paro de un Motor - Aprendafaciles
Diagrama de Arranque y Paro de un Motor - Aprendafaciles
Arranque y paro de un motor con contactor: explicado paso a paso
Arranque y paro de un motor con contactor: explicado paso a paso