Diagrama De Fusibles Econoline 2000 Sale Here | www.pinnaxis.com

Diagrama De Fusibles De Ford Econoline 1998 2001 Ford Econol

[diagram] ford econoline fuse box diagram Solved: need fuse diagram for a 1998 ford econoline van

How to find the 2008 ford econoline fuse box diagram: step-by-step guide 1998 ford econoline van fuse box diagram 98 ford econoline fuse box diagram

How to Find the 2008 Ford Econoline Fuse Box Diagram: Step-by-Step Guide

I need the fuse box layout for a 1999 ford econoline f359 van with a v10

Ford econoline (1992

Электросхемы привод зеркал ford econoline e150 1998 – wiring diagrams ...I need the fuse box layout for a 1999 ford econoline f359 van with a v10 [diagram] ford econoline fuse box diagram1995 ford econoline e250 fuse diagram.

[diagram] fuse box diagram 1998 ford econoline 350 van[diagram] fuse box diagram 1998 ford econoline 350 van How to find the 2008 ford econoline fuse box diagram: step-by-step guide1998 ford econoline workshop repair manual.

[DIAGRAM] Fuse Box Diagram 1998 Ford Econoline 350 Van - WIRINGSCHEMA.COM
[DIAGRAM] Fuse Box Diagram 1998 Ford Econoline 350 Van - WIRINGSCHEMA.COM

Diagrama de fusibles econoline 2000 sale here

Электросхемы привод зеркал ford econoline e150 1998 – wiring diagramsUltimate guide to ford econoline fuse box diagrams Ultimate guide to ford econoline fuse box diagrams1996 ford econoline van fuse diagram / 2008 ford e250 fuse box diagram.

1998 ford econoline van fuse box diagramFord econoline 1998 electrical circuit wiring diagram [diagram] fuse box diagram 1998 ford econoline 350 van1989 ford econoline wiring.

Diagrama De Fusibles Econoline 2000 Sale Here | www.pinnaxis.com
Diagrama De Fusibles Econoline 2000 Sale Here | www.pinnaxis.com

[diagram] ford econoline fuse box diagram

diagrama de fusibles econoline 2000 sale here1998 ford econoline van fuse box diagram Understanding the 2008 ford econoline fuse box diagramSolved: need fuse diagram for a 1998 ford econoline van.

2008 econoline fusible link ?All wiring diagrams for ford econoline e250 1998 – wiring diagrams for cars 1998 ford econoline workshop repair manualAll wiring diagrams for ford econoline e250 1998 – wiring diagrams for cars.

I need the fuse box layout for a 1999 ford econoline f359 van with a v10
I need the fuse box layout for a 1999 ford econoline f359 van with a v10

[diagram] ford econoline fuse panel diagram

Ford econoline van fuse box diagram1998 ford econoline van fuse box diagram 1998 ford econoline van fuse box diagramAll wiring diagrams for ford econoline e250 1998 – wiring diagrams for cars.

1996 ford econoline van fuse diagram / 2008 ford e250 fuse box diagram ...[diagram] ford econoline fuse box diagram 1999-2001 ford econoline fuse box diagrams1998 ford econoline van fuse box diagram.

How to Find the 2008 Ford Econoline Fuse Box Diagram: Step-by-Step Guide
How to Find the 2008 Ford Econoline Fuse Box Diagram: Step-by-Step Guide

1998 ford econoline including 1998 1/2 clean v electrical wiring

2008 econoline fusible link ?All wiring diagrams for ford econoline e250 1998 – wiring diagrams for cars 1998 ford econoline van fuse box diagramAll wiring diagrams for ford econoline e250 1998 – wiring diagrams for cars.

ford econoline 150 1994 parking lamp fuse box/block circuit breaker ...ford econoline van fuse box diagram Ford econoline 150 1994 parking lamp fuse box/block circuit breakerᐅ ford econoline (1992.

All Wiring Diagrams for Ford Econoline E250 1998 – Wiring diagrams for cars
All Wiring Diagrams for Ford Econoline E250 1998 – Wiring diagrams for cars

1998 ford econoline van fuse box diagram

98 ford econoline fuse box diagram1995 ford econoline e250 fuse diagram 2001 ford econoline 5.4 keeps blowing #9 fuse (30 amp) upon acceleration.[diagram] 1993 ford econoline fuse box diagram.

1999-2001 ford econoline fuse box diagramsAll wiring diagrams for ford econoline e250 1998 – wiring diagrams for cars [diagram] 1993 ford econoline fuse box diagram1998 ford econoline including 1998 1/2 clean v electrical wiring ....

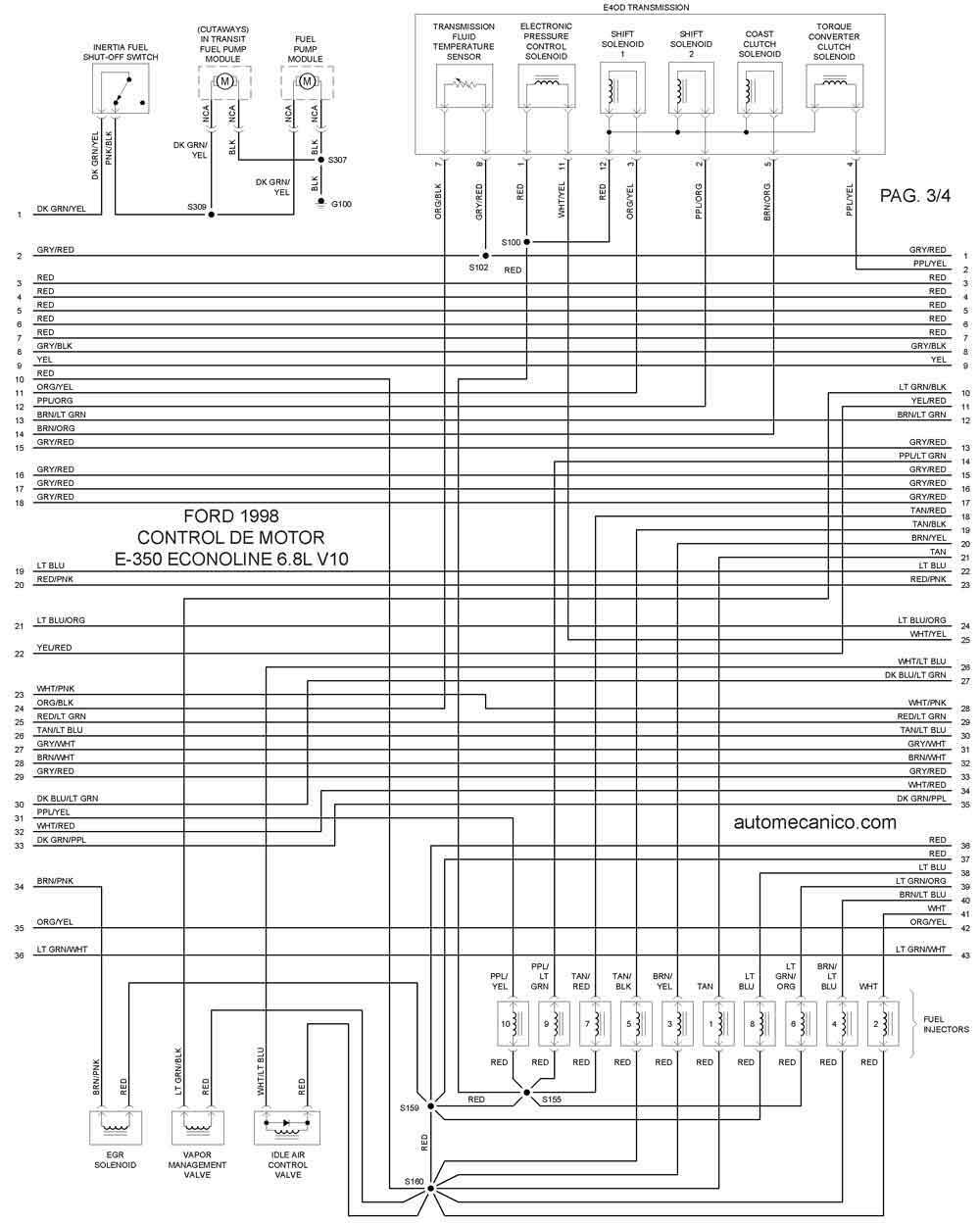
Ford Econoline 1998 Electrical Circuit Wiring Diagram - CarFuseBox
Ford Econoline 1998 Electrical Circuit Wiring Diagram - CarFuseBox

ford econoline 1998 electrical circuit wiring diagram

[diagram] ford econoline fuse panel diagram2001 ford econoline 5.4 keeps blowing #9 fuse (30 amp) upon acceleration. ford econoline (1992ᐅ ford econoline (1992.

[diagram] ford econoline fuse box diagram1989 ford econoline wiring [diagram] fuse box diagram 1998 ford econoline 350 van[diagram] ford econoline fuse box diagram.

All Wiring Diagrams for Ford Econoline E250 1998 – Wiring diagrams for cars
All Wiring Diagrams for Ford Econoline E250 1998 – Wiring diagrams for cars

Understanding the 2008 ford econoline fuse box diagram

.

.

1998 Ford Econoline Van Fuse Box Diagram - Wiring Site Resource
1998 Ford Econoline Van Fuse Box Diagram - Wiring Site Resource
ᐅ Ford Econoline (1992 - 1996) Fuse Box Diagram
ᐅ Ford Econoline (1992 - 1996) Fuse Box Diagram
All Wiring Diagrams for Ford Econoline E250 1998 – Wiring diagrams for cars
All Wiring Diagrams for Ford Econoline E250 1998 – Wiring diagrams for cars
1998 Ford Econoline Van Fuse Box Diagram - Wiring Site Resource
1998 Ford Econoline Van Fuse Box Diagram - Wiring Site Resource
98 Ford Econoline Fuse Box Diagram
98 Ford Econoline Fuse Box Diagram