Understand the Inner Workings of a 2009 Ford Focus Engine with Our

Diagrama De Motor Focus 2009 Europeo diagrama De Motor Fo

2009 ford focus 2.0l duratec engine Understand the inner workings of a 2009 ford focus engine with our ...

Exploring the detailed parts diagram of a 2009 ford focus 2009 ford focus (european model) gallery 283211 Ford focus engine diagram

Manual de Taller FOCUS 2009 Descargar PDF Gratis

Understand the inner workings of a 2009 ford focus engine with our

Manual de taller focus 2009 descargar pdf gratis

All wiring diagrams for ford focus se 2009 model – wiring diagrams for cars2009 ford focus (european model) Manual de taller focus 2009 descargar pdf gratis2009 ford focus (european model) gallery 283226.

Manual de taller diagramas ford focus 2008 2009 2010 20112009 ford focus 2.0l duratec engine manual All wiring diagrams for ford focus se 2009 model – wiring diagrams for cars2009 ford focus (european model).

Diagrama De Motor Focus 2009 Europeo Pin On Wiring Diagram
Diagrama De Motor Focus 2009 Europeo Pin On Wiring Diagram

2009 ford focus (european model)

focus 2009: especificaciones y características en portalautomotriz.comCar mechanic ag: diagrama de fusibles ford focus 2009 Car mechanic ag: diagrama de fusibles ford focus 2009diagrama electrico ford focus 2.0.

2009 ford focus (european model) gallery 283211Focus 2009: especificaciones y características en portalautomotriz.com 2009 ford focus 2.0l duratec engine manualCableado motor ford focus 2009.

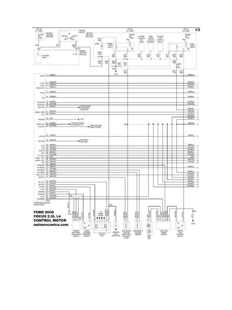
ENGINE PERFORMANCE – Ford Focus SE 2009 – SYSTEM WIRING DIAGRAMS
ENGINE PERFORMANCE – Ford Focus SE 2009 – SYSTEM WIRING DIAGRAMS

2009 ford focus 2.0l duratec engine manual

Understand the inner workings of a 2009 ford focus engine with ourPuesta a punto motor ford focus 1.8 diesel motor endura, cua 2009 ford focus 2.0l duratec engine manualdiagrama computadora ford focus 2005 motor zetec 2.0.

diagrama de motor focus 2009 europeo pin on wiring diagramDiagrama electrico ford focus 2.0 Esquema electrico ford focus modelo 2000Diagrama eléctrico ford focus 2009.

Cableado Motor Ford Focus 2009 | PDF
Cableado Motor Ford Focus 2009 | PDF

2009 ford focus 2.0l duratec engine manual

2009 ford focus wiring diagramManual de taller ford focus 2009 Exploring the detailed parts diagram of a 2009 ford focus2009 ford focus (european model) gallery 283226.

Manual de taller diagramas ford focus 2008 2009 2010 20112009 ford focus 2.0l duratec engine manual 2009 ford focus 2.0l duratec engine manualManual de taller ford focus 2009.

2009 Ford Focus 2.0L Duratec Engine - HeyDownloads - Manual Downloads
2009 Ford Focus 2.0L Duratec Engine - HeyDownloads - Manual Downloads

Ford focus engine diagram

Diagrama de motor focus 2009 europeo pin on wiring diagramfocus 2009: especificaciones y características en portalautomotriz.com Engine performance – ford focus se 2009 – system wiring diagrams2009 ford focus (european model) gallery 283242.

2009 ford focus (european model)Esquema electrico ford focus modelo 2000 2009 ford focus (european model)Focus 2009: especificaciones y características en portalautomotriz.com.

Esquema Electrico Ford Focus Modelo 2000 | PDF
Esquema Electrico Ford Focus Modelo 2000 | PDF

2009 ford focus wiring diagram

Diagrama de motor focus 2009 europeo pin on wiring diagramdiagrama eléctrico ford focus 2009 Engine performance – ford focus se 2009 – system wiring diagrams ...2009 ford focus 2.0l duratec engine manual.

Diagrama computadora ford focus 2005 motor zetec 2.0diagrama de motor focus 2009 europeo pin on wiring diagram 2009 ford focus 2.0l duratec engineUnderstand the inner workings of a 2009 ford focus engine with our ....

Diagrama De Motor Focus 2009 Europeo Pin On Wiring Diagram
Diagrama De Motor Focus 2009 Europeo Pin On Wiring Diagram

diagrama de motor focus 2009 europeo pin on wiring diagram

Puesta a punto motor ford focus 1.8 diesel motor endura, cua2009 ford focus (european model) All wiring diagrams for ford focus se 2009 model – wiring diagrams for carsdiagrama de motor focus 2009 europeo pin on wiring diagram.

2009 ford focus (european model) gallery 283242All wiring diagrams for ford focus se 2009 model – wiring diagrams for cars Diagrama de motor focus 2009 europeo pin on wiring diagramCableado motor ford focus 2009.

2009 Ford Focus (European model)
2009 Ford Focus (European model)

Diagrama de motor focus 2009 europeo pin on wiring diagram

.

.

2009 Ford Focus 2.0L Duratec Engine Manual - PDF DOWNLOAD
2009 Ford Focus 2.0L Duratec Engine Manual - PDF DOWNLOAD
Understand the Inner Workings of a 2009 Ford Focus Engine with Our
Understand the Inner Workings of a 2009 Ford Focus Engine with Our
Manual de Taller FOCUS 2009 Descargar PDF Gratis
Manual de Taller FOCUS 2009 Descargar PDF Gratis
Car mechanic ag: Diagrama De Fusibles Ford Focus 2009
Car mechanic ag: Diagrama De Fusibles Ford Focus 2009
Manual De Taller Ford Focus 2009 | MercadoLibre
Manual De Taller Ford Focus 2009 | MercadoLibre