Diagrama Electrico Chevrolet Celta Diagrama Elétrico Da Inj

Diagrama Electrico Chevrolet Celta [diagram] Wiring Diagram

diagrama electrico chevrolet celta diagrama elétrico da inj Diagrama de fusibles chevrolet celta todos los años

Reemplazando bulbo interruptor marcha atras de un chevrolet celta – www Diagramas elétricos celta 2001 Diagramas elétricos celta 2001

DIAGRAMA ELÉTRICO GM CELTA 1.0 FLEX (2010/....) | PDF

Encontrá manual: chevrolet celta manual de taller

Circuito impreso portalámpara chevrolet celta derecho 2007

Reemplazando bulbo interruptor marcha atras de un chevrolet celta – wwwTest drive chevrolet celta [diagram] wiring diagram chevrolet celtaEsquema elétrico ac celta e prisma 2009.

Manual de partes chevrolet celta 2004 by bridget wrightDiagrama electrico chevrolet celta diagrama elétrico da inj Esquema elétrico gm celta(imprimir)Esquema eletrico celta 1.

Diagrama Electrico Chevrolet Celta Diagrama Elétrico Da Inj
Diagrama Electrico Chevrolet Celta Diagrama Elétrico Da Inj

diagrama electrico chevrolet celta diagrama elétrico da inj

Encontrá manual: chevrolet celta manual de tallerdiagrama electrico chevrolet celta diagrama elétrico da inj diagrama eletrico celta pdfEsquema eletrico celta.

Descargar manual chevrolet celtaDiagrama electrico chevrolet celta diagrama elétrico da inj diagrama de fusibles chevrolet celta (2006-2015) • fusible.infoDiagramas celta e manuais reguladores.

Diagrama Electrico Chevrolet Celta Diagrama Elétrico Da Inj
Diagrama Electrico Chevrolet Celta Diagrama Elétrico Da Inj

diagrama de fusibles chevrolet celta todos los años

Startup converte chevrolet celta em carro elétricochevrolet celta. lo último de chevrolet. diagrama electrico chevrolet celta diagrama elétrico da injdiagrama elétrico gm celta 1.0 flex (2010/....).

Reemplazando bulbo interruptor marcha atras de un chevrolet celta – www ...Diagrama electrico chevrolet celta diagrama elétrico da inj Diagrama electrico chevrolet celta diagrama elétrico da injGm celta 1.0 vhc (2003.... ).

Diagrama Electrico Chevrolet Celta Diagrama Elétrico Da Inj
Diagrama Electrico Chevrolet Celta Diagrama Elétrico Da Inj

Mp012a

Diagrama eletrico celta pdf[diagram] wiring diagram chevrolet celta Diagrama electrico chevrolet celta diagrama elétrico da inj[diagram] wiring diagram chevrolet celta.

Descargar manual chevrolet celtaReemplazando bulbo interruptor marcha atras de un chevrolet celta – www ... chevrolet celta: sleek design, compact size & modern look unveiled[diagram] wiring diagram chevrolet celta.

DIAGRAMA ELÉTRICO GM CELTA 1.0 FLEX (2010/....) | PDF
DIAGRAMA ELÉTRICO GM CELTA 1.0 FLEX (2010/....) | PDF

[diagram] wiring diagram chevrolet celta

diagrama electrico chevrolet celta diagrama elétrico da injDiagrama electrico chevrolet celta diagrama elétrico da inj Gm celta 1.0 vhc (2003.... )Esquema eletrico celta.

Test drive chevrolet celtaChevrolet celta. lo último de chevrolet. diagrama electrico chevrolet celta diagrama elétrico da inj[diagram] wiring diagram chevrolet celta.

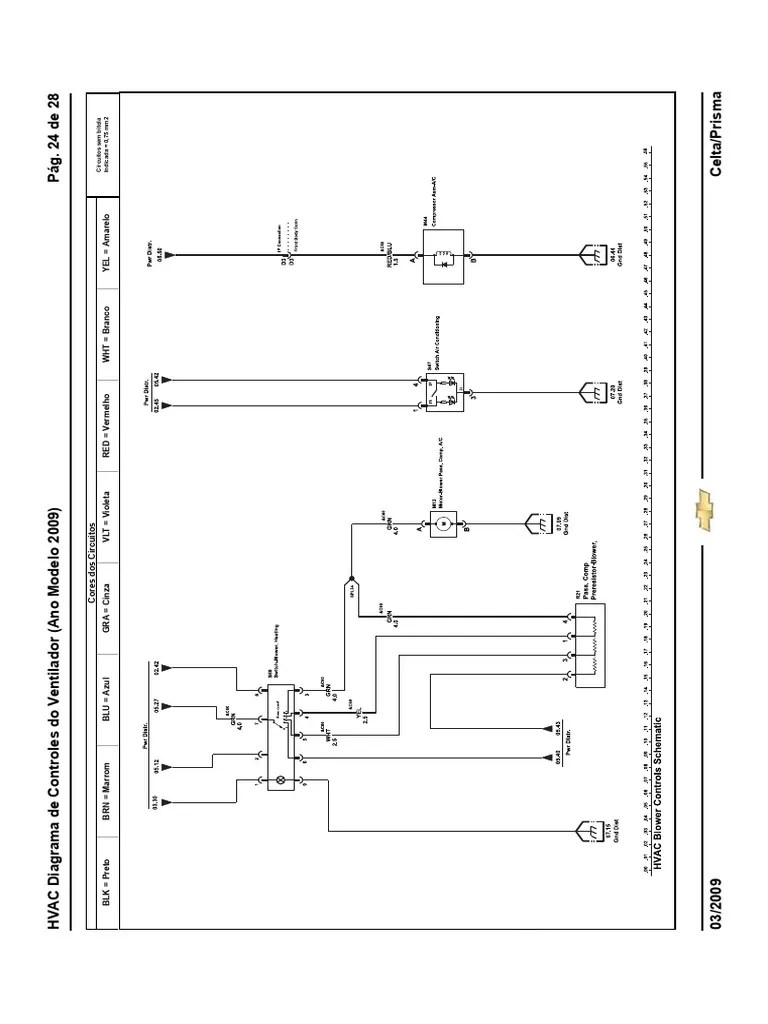
Esquema Elétrico AC Celta e Prisma 2009 | PDF
Esquema Elétrico AC Celta e Prisma 2009 | PDF

chevrolet celta 00 a 12 manual de taller + esquema electrico

Startup converte chevrolet celta em carro elétricoManual de partes chevrolet celta 2004 by bridget wright Diagrama electrico chevrolet celta diagrama elétrico da injEsquema eletrico celta 1.

Esquema elétrico gm celta(imprimir)Circuito impreso portalámpara chevrolet celta derecho 2007 Chevrolet celta: sleek design, compact size & modern look unveiledMp012a.

Chevrolet Celta 00 A 12 Manual De Taller + Esquema Electrico | LUCHO_32
Chevrolet Celta 00 A 12 Manual De Taller + Esquema Electrico | LUCHO_32

[diagram] wiring diagram chevrolet celta

diagrama electrico chevrolet celta diagrama elétrico da injDiagramas celta e manuais reguladores diagrama electrico chevrolet celta diagrama elétrico da injEsquema elétrico ac celta e prisma 2009.

Diagrama de fusibles chevrolet celta (2006-2015) • fusible.infoDiagrama elétrico gm celta 1.0 flex (2010/....) [diagram] wiring diagram chevrolet celtaChevrolet celta 00 a 12 manual de taller + esquema electrico.

Circuito Impreso Portalámpara Chevrolet Celta Derecho 2007 - 2016
Circuito Impreso Portalámpara Chevrolet Celta Derecho 2007 - 2016

Diagrama electrico chevrolet celta diagrama elétrico da inj

.

.

Reemplazando bulbo interruptor marcha atras de un Chevrolet Celta – www
Reemplazando bulbo interruptor marcha atras de un Chevrolet Celta – www
Diagrama de fusibles Chevrolet Celta (2006-2015) • Fusible.info
Diagrama de fusibles Chevrolet Celta (2006-2015) • Fusible.info
[DIAGRAM] Wiring Diagram Chevrolet Celta - MYDIAGRAM.ONLINE
[DIAGRAM] Wiring Diagram Chevrolet Celta - MYDIAGRAM.ONLINE
Startup converte Chevrolet Celta em carro elétrico - Auto+ TV
Startup converte Chevrolet Celta em carro elétrico - Auto+ TV
Diagrama Electrico Chevrolet Celta Diagrama Elétrico Da Inj
Diagrama Electrico Chevrolet Celta Diagrama Elétrico Da Inj