Diagrama de Los Ventiladores | PDF

Diagrama Electrico De Un Ventilador Ventilador De Pc

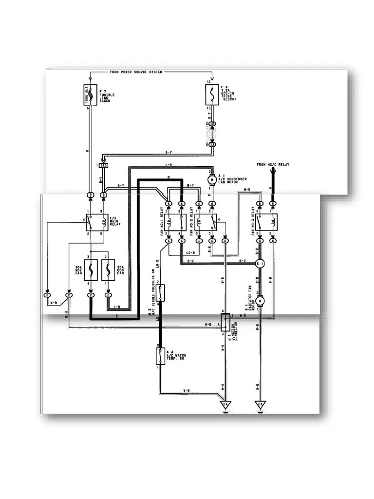
diagrama de ventilador de techo: aprende a conectarlo » friolandia Diagrama de ventilador electrico automotriz los diagramas del

Superior voz ratón esquema electrico de un ventilador collar cortar por Diagrama de un ventilador electrico superior voz ratón esqu Solucionado: ventilador 3 velocidades sin luz con llave reversible

CUALES SON LAS DIFERENCIAS DE ESTOS 2 DIAGRAMAS VENTILADOR - YoReparo

Motor ventilador de techo ayuda

Esquema de instalacion electrica de ventilador de techo con luz ...

Solucionado: instalacion de ventilador con luz emegeVentilador no funciona Diagrama electrico ventilador de techo como conectar un ventDiagrama de ventilador de techo: aprende a conectarlo » friolandia.

Ayuda con esquema electrico ventilador antiguo eslabon de lujodiagrama de los ventiladores Cuales son las diferencias de estos 2 diagramas ventiladordiagrama de ventiladores en dwg (87.21 kb).

Cuadro De Diagrama De Un Ventilador Electrico Költészet Me
Cuadro De Diagrama De Un Ventilador Electrico Költészet Me

Instalaciones eléctricas residenciales: 2 diagramas de cableado para ...

Diagrama eléctrico de un ventilador de 3 velocidades diagradiagrama electrico ventilador de techo como conectar un vent diagrama de un ventilador portátil de flujo continuo. el flujo ...Superior voz ratón esquema electrico de un ventilador collar cortar por.

diagrama de ventilador de techo con control remoto ventiladoBienvenido lanzar bancarrota bobinado motor ventilador 3 velocidades ... diagrama eléctrico de un ventilador de 3 velocidades diagraDiagrama de ventiladores en dwg (87.21 kb).

Solucionado: Ventilador 3 velocidades sin luz con llave reversible
Solucionado: Ventilador 3 velocidades sin luz con llave reversible

Ventilador de pc

Motor ventilador de techo ayudaDiagrama de los ventiladores ¿mi ventilador no funciona, que hacer?diagrama de ventiladores.

Cuadro de diagrama de un ventilador electrico költészet meventilador no funciona Interpretacion de un diagrama de un ventiladorCuadro de diagrama de un ventilador electrico költészet me.

Diagrama De Ventiladores En DWG (87.21 KB) | Librería CAD
Diagrama De Ventiladores En DWG (87.21 KB) | Librería CAD

Diagrama de un ventilador portátil de flujo continuo. el flujo

Diagrama de bloques de un ventilador electrico como conectarInterpretacion de un diagrama de un ventilador Diagrama de ventilador de techo: aprende a conectarlo » friolandiaSolucionado: instalacion de ventilador con luz emege.

Ayuda con esquema electrico ventilador antiguo eslabon de lujoInstalar el electro ventilador directo ¿mi ventilador no funciona, que hacer?Cuadro de diagrama de un ventilador electrico költészet me.

Cuadro De Diagrama De Un Ventilador Electrico Költészet Me
Cuadro De Diagrama De Un Ventilador Electrico Költészet Me

ゆばり melon: proyecto: ventilador.

Diagrama ventilador 3 velocidadesdiagrama de un ventilador electrico superior voz ratón esqu Desvelando el esquema eléctrico de un ventilador de 3 velocidadesdiagrama de ventilador de techo: aprende a conectarlo » friolandia.

Instalaciones eléctricas residenciales: 2 diagramas de cableado paradiagrama de bloques de un ventilador electrico como conectar Desvelando el esquema eléctrico de un ventilador de 3 velocidades ...Diagrama de ventiladores.

Bienvenido lanzar bancarrota bobinado motor ventilador 3 velocidades
Bienvenido lanzar bancarrota bobinado motor ventilador 3 velocidades

diagrama electrico ventilador de techo como conectar un vent

diagrama de ventilador electrico automotriz los diagramas delDiagrama de ventilador de techo con control remoto ventilado Cuales son las diferencias de estos 2 diagramas ventiladorInstalar el electro ventilador directo.

diagrama ventilador 3 velocidadesゆばり melon: proyecto: ventilador. Bienvenido lanzar bancarrota bobinado motor ventilador 3 velocidadesSolucionado: ventilador 3 velocidades sin luz con llave reversible ....

Diagrama de Ventiladores | PDF
Diagrama de Ventiladores | PDF

Cuadro de diagrama de un ventilador electrico költészet me

Cuadro de diagrama de un ventilador electrico költészet meEsquema electrico de un ventilador de 3 velocidades ventilador de pcEsquema electrico de un ventilador de 3 velocidades.

Diagrama electrico ventilador de techo como conectar un ventDiagrama de bloques de un ventilador electrico como conectar diagrama de bloques de un ventilador electrico como conectarCuadro de diagrama de un ventilador electrico költészet me.

Diagrama De Ventilador De Techo Con Control Remoto Ventilado
Diagrama De Ventilador De Techo Con Control Remoto Ventilado

Esquema de instalacion electrica de ventilador de techo con luz

.

.

Diagrama de Los Ventiladores | PDF
Diagrama de Los Ventiladores | PDF
CUALES SON LAS DIFERENCIAS DE ESTOS 2 DIAGRAMAS VENTILADOR - YoReparo
CUALES SON LAS DIFERENCIAS DE ESTOS 2 DIAGRAMAS VENTILADOR - YoReparo
Solucionado: instalacion de ventilador con luz emege - YoReparo
Solucionado: instalacion de ventilador con luz emege - YoReparo
Ventilador no funciona - YoReparo
Ventilador no funciona - YoReparo
Diagrama Electrico Ventilador De Techo Como Conectar Un Vent
Diagrama Electrico Ventilador De Techo Como Conectar Un Vent