FORD - Sistema de carga y arranque 2005 - Graphics - Esquemas

Diagrama Electrico Del A C Ford 6.0 005 Exploring The Wiring

ford 5.0l y 5.8l 1981/93 Ford 6 0 pcm wiring diagram

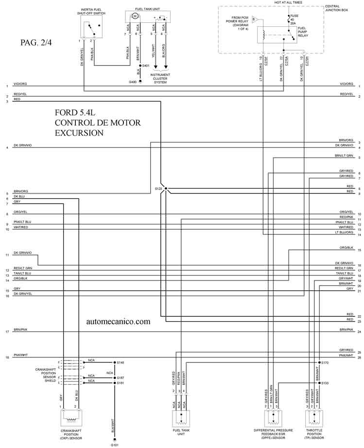
Diagramas eléctricos ford e 350 v8-5.4l vin l 2006 Car mechanic ag: diagrama electrico de ford super duty Car mechanic ag: diagrama electrico de ford super duty

FORD 2005 | Diagramas, esquemas, graphics

Ford 5.0l y 5.8l 1981/93

Exploring the wiring diagram of 2005 ford 6.0 pcm

diagrama electrico ford v6/3.5 l(4v)/edge & mkxDiagrama electrico del a c ford 6.0 005 acondicionado cilind Diagramas eléctricos ford e 350 v8-5.4l vin l 2006Exploring the internal components of a ford 2005 6.0 engine: a detailed.

diagrama de modulo de encendido ford #6 electrical transformers, ford ...ford 6 0 pcm wiring diagram ford-c-6|transmisiones automaticas|componentes,despiece,imagenes ...Ford-c-6|transmisiones automaticas|componentes,despiece,imagenes.

FORD - Sistema de carga y arranque 2005 - Graphics - Esquemas
FORD - Sistema de carga y arranque 2005 - Graphics - Esquemas

Ford : diagramas control del motor

Manual taller diagrama caja automatica ford c6 f150 f350ford 5.0l y 5.8l 1981/93 ford : diagramas control del motorford 5.0l y 5.8l 1981/93.

diagrama electrico ford f-350 5.4l 2006diagrama electrico del a c ford 6.0 005 acondicionado cilind Diagrama electrico ford motores 4.6 l/5.4 lExploring the wiring diagram of 2005 ford 6.0 pcm.

Exploring the Wiring Diagram of 2005 Ford 6.0 PCM
Exploring the Wiring Diagram of 2005 Ford 6.0 PCM

Diagrama electrico ford f-350 5.4l 2006

diagrama electrico del a c ford 6.0 005 acondicionado cilindManual taller diagrama caja automatica ford c6 f150 f350 Diagrama electrico ford v6/3.5 l(4v)/edge & mkxFord 5.0l y 5.8l 1981/93.

diagrama electrico ford motores 4.6 l/5.4 lford 5.0l y 5.8l 1981/93 Exploring the internal components of a ford 2005 6.0 engine: a detailed ...Ford 5.0l y 5.8l 1981/93.

FORD 5.0L y 5.8L 1981/93 | Diagramas, esquemas, graphics
FORD 5.0L y 5.8L 1981/93 | Diagramas, esquemas, graphics

Manual de reparacion y fallas caja ford c6

Diagrama de modulo de encendido ford #6 electrical transformers, fordQ&a: best ford diesel scan tool for 6.0 powerstroke Ford 5.0l y 5.8l 1981/93Diagrama electrico del a c ford 6.0 005 acondicionado cilind.

Q&a: best ford diesel scan tool for 6.0 powerstrokeford 5.0l y 5.8l 1981/93 Manual de reparacion y fallas caja ford c6Ford 5.0l y 5.8l 1981/93.

FORD 5.0L y 5.8L 1981/93 | Diagramas, esquemas, graphics
FORD 5.0L y 5.8L 1981/93 | Diagramas, esquemas, graphics
FORD 5.0L y 5.8L 1981/93 | Diagramas, esquemas, graphics
FORD 5.0L y 5.8L 1981/93 | Diagramas, esquemas, graphics
FORD - Sistema de carga y arranque 2005 - Graphics - Esquemas
FORD - Sistema de carga y arranque 2005 - Graphics - Esquemas
FORD 2005 | Diagramas, esquemas, graphics
FORD 2005 | Diagramas, esquemas, graphics
Ford 6 0 Pcm Wiring Diagram - Wiring Diagram
Ford 6 0 Pcm Wiring Diagram - Wiring Diagram
Q&A: Best Ford Diesel Scan Tool for 6.0 Powerstroke | JustAnswer
Q&A: Best Ford Diesel Scan Tool for 6.0 Powerstroke | JustAnswer
FORD 2005 | Diagramas, esquemas, graphics
FORD 2005 | Diagramas, esquemas, graphics
Manual Taller Diagrama Caja Automatica Ford C6 F150 F350 | MercadoLibre
Manual Taller Diagrama Caja Automatica Ford C6 F150 F350 | MercadoLibre
Exploring the Internal Components of a Ford 2005 6.0 Engine: A Detailed
Exploring the Internal Components of a Ford 2005 6.0 Engine: A Detailed