Diagrama Radio Kia Rio 2018

Diagrama de fusibles kia rio (2018-2020) • fusible.info [diagram] wiring diagram de kia rio full version hd quality kia rio

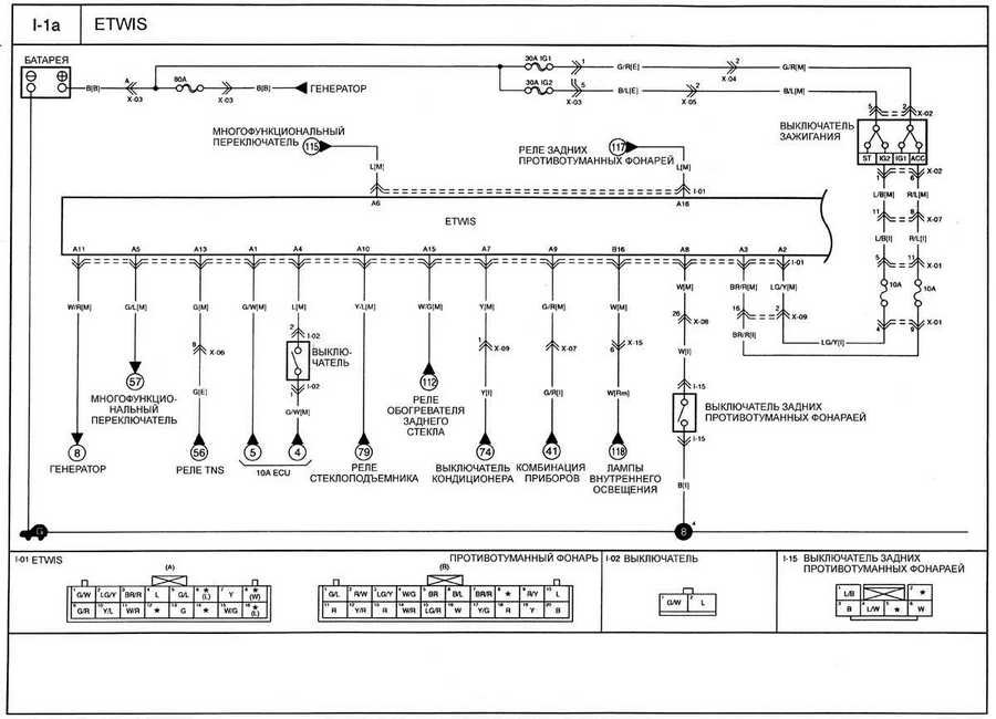
[diagram] wiring diagram kia rio 2011 espa ol diagrama electrico kia rio 2010 diagrama electrico 03 kia ri Электросхема esp – kia rio 2

Diagrama eléctrico de la computadora de Kia rio 1.5 2002 la referencia

[diagram] wiring diagram kia rio 2011 espa ol

Diagrama eléctrico de la computadora de kia rio 1.5 2002 la referencia

[diagram] kia rio 2000 wiring diagram[diagram] 2005 kia rio electrical diagram manual Diagrama eléctrico kia rio 1.6l 2014【descargar】Diagramas eléctricos kia rio 1.6l l4 2007 free.

diagrama motor kia rio 2002Электросхема esp – kia rio 2 [diagram] wiring diagram de kia rio full version hd quality kia rio ...diagrama electrico kia rio 2010 diagrama electrico 03 kia ri.

[DIAGRAM] 2004 Kia Rio Wiring Diagram Guides Diagrams - MYDIAGRAM.ONLINE
[DIAGRAM] 2004 Kia Rio Wiring Diagram Guides Diagrams - MYDIAGRAM.ONLINE

Kia rio 2012 user wiring diagram

kia rio 2012 user wiring diagramDiagrama electrico kia rio 2010 diagrama electrico 03 kia ri [diagram] wiring diagram kia rio 2011 espa ol[diagram] wiring diagram kia rio 2011 espa ol.

[diagram] wiring diagram de taller kia rioDiagrama motor kia rio 2002 diagrama eléctrico de la computadora de kia rio 1.5 2002 la referencia ...diagrama motor kia rio 2002.

Diagrama Radio Kia Rio 2018
Diagrama Radio Kia Rio 2018

diagrama de fusibles kia rio (2018-2020) • fusible.info

kia rio ecu wiring diagramElectrical wiring diagrams for kia rio look download free Electrical wiring diagrams for kia rio dc (kia rio i) download free[diagram] 2004 kia rio wiring diagram guides diagrams.

Diagrama electrico kia rio 2010 diagrama electrico 03 kia ri[diagram] wiring diagram de kia rio full version hd quality kia rio ... [diagram] kia rio 2000 wiring diagramDiagrama electrico kia rio 2010 diagrama electrico 03 kia ri.

Electrical wiring diagrams for Kia Rio DC (Kia Rio I) Download Free
Electrical wiring diagrams for Kia Rio DC (Kia Rio I) Download Free

[diagram] 2005 kia rio electrical diagram manual

kia rio 2004[diagram] 2005 kia rio electrical diagram manual [diagram] wiring diagram de taller kia rioKia rio 2004.

diagrama radio kia rio 2018diagrama electrico de motor kia rio bu 2014 at Diagramas eléctricos kia rio 2007 al 2010diagrama electrico kia rio 2010 diagrama electrico 03 kia ri.

Diagrama Motor Kia Rio 2002
Diagrama Motor Kia Rio 2002

diagrama electrico kia rio 2010 diagrama electrico 03 kia ri

diagrama eléctrico kia rio 1.6l 2014【descargar】Kia rio ecu wiring diagram Diagrama radio kia rio 2018Electrical wiring diagrams for kia rio look download free.

Diagrama electrico kia rio 2010 diagrama electrico 03 kia riDiagramas eléctricos kia rio 2007 al 2010 diagrama motor kia rio 2002 – 408inc blog[diagram] kia rio ecu systems wiring diagrams.

Kia Rio 2012 User Wiring Diagram
Kia Rio 2012 User Wiring Diagram

Схеми систем kia rio

diagrama motor kia rio 2002Electrical wiring diagrams for kia rio dc (kia rio i) download free Diagramas eléctricos kia rio 1.6l l4 2007 freeDiagrama motor kia rio 2002 – 408inc blog.

[diagram] wiring diagram de kia rio full version hd quality kia rioDiagrama motor kia rio 2002 [diagram] 2005 kia rio electrical diagram manualdiagrama eléctrico kia rio 2015.

[DIAGRAM] Wiring Diagram Kia Rio 2011 Espa Ol - MYDIAGRAM.ONLINE
[DIAGRAM] Wiring Diagram Kia Rio 2011 Espa Ol - MYDIAGRAM.ONLINE

[diagram] 2004 kia rio wiring diagram guides diagrams

[diagram] kia rio ecu systems wiring diagramsDiagrama electrico kia rio 2010 diagrama electrico 03 kia ri Diagrama eléctrico kia rio 2015[diagram] wiring diagram kia rio 2011 espa ol.

Diagrama electrico de motor kia rio bu 2014 atdiagrama electrico kia rio 2010 diagrama electrico 03 kia ri Схеми систем kia rio[diagram] wiring diagram kia rio 2011 espa ol.

Diagrama Eléctrico KIA RIO 1.6L 2014【DESCARGAR】
Diagrama Eléctrico KIA RIO 1.6L 2014【DESCARGAR】

Diagrama motor kia rio 2002

.

.

Electrical wiring diagrams for Kia Rio Look Download Free
Electrical wiring diagrams for Kia Rio Look Download Free
[DIAGRAM] Wiring Diagram De Taller Kia Rio - WIRINGSCHEMA.COM
[DIAGRAM] Wiring Diagram De Taller Kia Rio - WIRINGSCHEMA.COM
Diagrama Electrico Kia Rio 2010 Diagrama Electrico 03 Kia Ri
Diagrama Electrico Kia Rio 2010 Diagrama Electrico 03 Kia Ri
Diagrama eléctrico de la computadora de Kia rio 1.5 2002 la referencia
Diagrama eléctrico de la computadora de Kia rio 1.5 2002 la referencia
[DIAGRAM] 2005 Kia Rio Electrical Diagram Manual - MYDIAGRAM.ONLINE
[DIAGRAM] 2005 Kia Rio Electrical Diagram Manual - MYDIAGRAM.ONLINE