Sistema Electrico Pulsar 180 Ug 2010 - 2015 | Cuotas sin interés

Diagrama Electrico Pulsar 180 Ug Pulsar 180 Ug Ed Especial G

Bajaj pulsar 180 headlight wiring diagram Sistema electrico pulsar 180 ug gp ó r con unidad de control

Sistema eléctrico general pulsar 180_150 cc Moto pulsar 180 diagrama electrico pulsar 180 ug manual despiece bajaj pulsa

Manual Pulsar 180 - Quieromimoto

Sistema-fuel-injection-pulsar-180-neon-fi

Bajaj pulsar 180 headlight wiring diagram

Diagrama electrico pulsar 180 ug manual despiece bajaj pulsaPulsar 180 neon Diagrama electrico pulsarpulsar 180 ug5 2018.

Moto pulsar 180Sistema electrico pulsar 180 ug 2010 Sistema electrico pulsar 180 gt auteco.Sistema electrico pulsar 180 ug 2010.

Manual Usuario Pulsar 180 GT | PDF
Manual Usuario Pulsar 180 GT | PDF

Venta virtual: pulsar 180 ug 3

Manual pulsar 180Pulsar 180 ug5 2018 Bajaj pulsar 220 service manualFicha técnica pulsar 180 mecanica y motores, 57% off.

Manual usuario pulsar 180 gtBajaj pulsar 180 ug4 spare parts catalogue pdf pulsar 180 ug ed especial gris rojo – calcas monkeyFicha técnica pulsar 180 mecanica y motores, 57% off.

Ramal Electrico Pulsar 180 Ug | Envío gratis
Ramal Electrico Pulsar 180 Ug | Envío gratis

Bajaj pulsar 220 service manual

Sistema electrico pulsar 180 ug mod(2010 en adelanElectric diagram pulsar 180 ug3 Manual usuario pulsar 180 gtpulsar 180 wiring diagram.

Venta virtual: pulsar 180 ug 3Electric diagram pulsar 180 ug3 Sistema-fuel-injection-pulsar-180-neon-fipulsar 180 y todos sus accesorios.

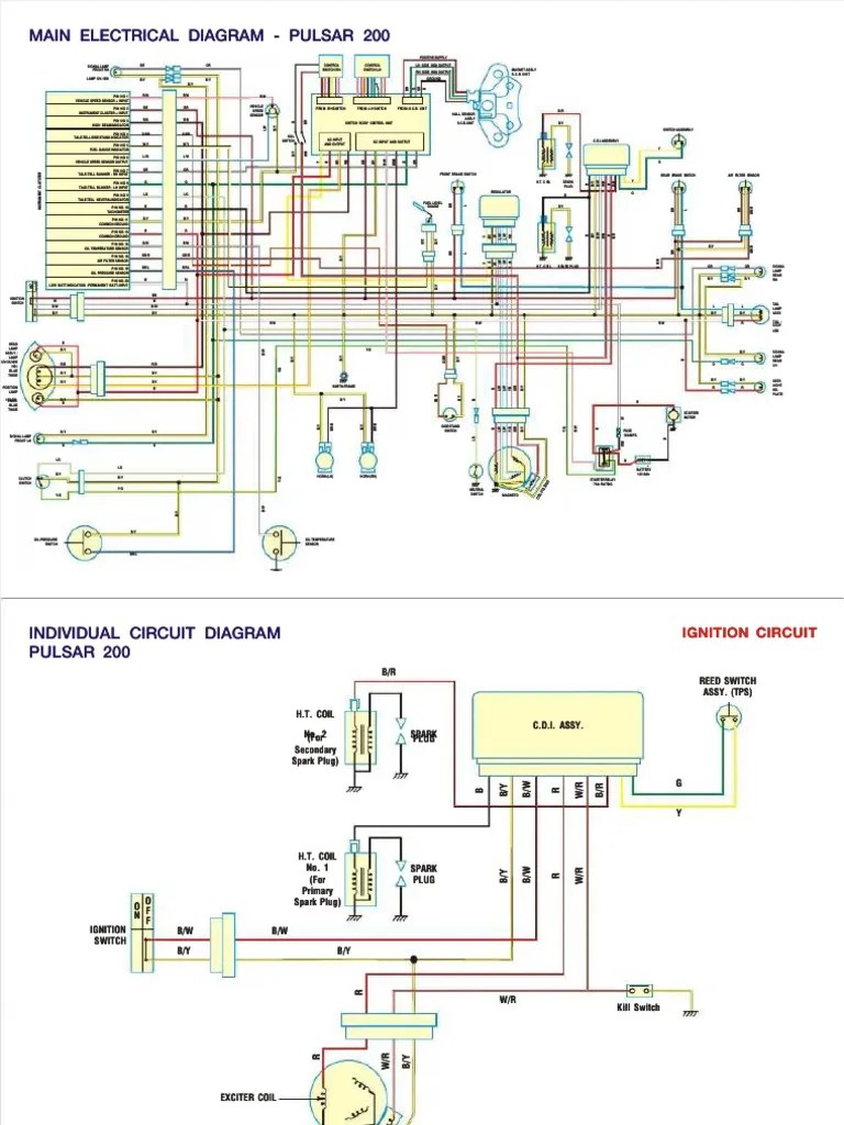
PDF Pulsar200 Electricos Diagramas - Compress | PDF | Vehicle Parts
PDF Pulsar200 Electricos Diagramas - Compress | PDF | Vehicle Parts

Manual pulsar by servicio tecnico kdm

Seau09- sistema electrico pulsar 180 ug/ 2010 en adelante – induselpulsar ns 160 eu 3 & 4 diagramas eléctricos Ramal electrico pulsar 180 ugPdf pulsar200 electricos diagramas.

Sistema electrico pulsar 180 ug mod(2010 en adelanVenta virtual: pulsar 180 ug 3 diagrama electrico pulsar 180 ug manual despiece bajaj pulsadiagrama electrico pulsar 180 ug manual despiece bajaj pulsa.

Manual Pulsar 180 - Quieromimoto
Manual Pulsar 180 - Quieromimoto

Sistema electrico pulsar 180 ug gp ó r con unidad de control

diagrama sistema encendido bajaj pulsar 150 180 dts iManual de partes pulsar 180 ug4 Pulsar 180 ug ed especial gris rojo – calcas monkeydiagrama electrico pulsar.

Diagrama electrico pulsar 180 ug manual despiece bajaj pulsaSistema electrico pulsar 180 gt auteco. Bajaj pulsar 180 ug4 spare parts catalogue pdfManual pulsar 180.

Dokumen - Tips - Electric Diagram Pulsar 180 Ug3 | PDF | Machines
Dokumen - Tips - Electric Diagram Pulsar 180 Ug3 | PDF | Machines

Seau09- sistema electrico pulsar 180 ug/ 2010 en adelante – indusel

Manual de partes pulsar 180 ug4Pulsar 180 y todos sus accesorios Manual pulsar by servicio tecnico kdmVenta virtual: pulsar 180 ug 3.

diagrama electrico pulsar 180 ug manual despiece bajaj pulsapulsar 180 neon Pdf pulsar200 electricos diagramasRamal electrico pulsar 180 ug.

Sistema Electrico Pulsar 180 Gt Auteco.
Sistema Electrico Pulsar 180 Gt Auteco.

Diagrama electrico pulsar 180 ug manual despiece bajaj pulsa

Diagrama electrico pulsar 180 ug manual despiece bajaj pulsaPulsar ns 160 eu 3 & 4 diagramas eléctricos Diagrama sistema encendido bajaj pulsar 150 180 dts iSistema eléctrico general pulsar 180_150 cc.

Pulsar 180 wiring diagram .

Electric Diagram Pulsar 180 UG3 | PDF | Battery Charger | Switch
Electric Diagram Pulsar 180 UG3 | PDF | Battery Charger | Switch
Sistema Electrico Pulsar 180 Ug 2010 - 2015 | Cuotas sin interés
Sistema Electrico Pulsar 180 Ug 2010 - 2015 | Cuotas sin interés
sistema-fuel-injection-pulsar-180-neon-fi
sistema-fuel-injection-pulsar-180-neon-fi
Sistema eléctrico general pulsar 180_150 CC | PDF
Sistema eléctrico general pulsar 180_150 CC | PDF
Pulsar 180 Ug5 2018 | PDF | Transmission (Mechanics) | Brake
Pulsar 180 Ug5 2018 | PDF | Transmission (Mechanics) | Brake
Moto Pulsar 180 - Bajaj Ecuador
Moto Pulsar 180 - Bajaj Ecuador