Motor Seat Ibiza iv sc (6j1, 6p5) 1.4 tsi cupra segunda mano Ref cthe

Diagrama Motor Seat Ibiza 1.6 Workshop Manual seat 

Diagrama motor seat ibiza 1.6 motor seat ibiza iv sc 1.6 tdi Diagrama de puesta a tiempo seat ibiza 1.8 adl

Pasión por la técnica: esquemas eléctricos ii seat ibiza (6l1) seat ibiza iii (6l) phase 2 Seat ibiza 1.4 16v, testigo fallo motor, problema con mezcla pobre...

Motor Seat Ibiza 1.6 TDI REF: CAYC | FerreiraParts

Motor seat ibiza 1.6 tdi ref: cayc

Pasión por la técnica: esquemas eléctricos ii seat ibiza (6l1)

motor seat ibiza(6l) 1.9tdi-100cvmotor seat ibiza iii (6l1) 1.4 16v 10259352 Pasión por la técnica: esquemas eléctricos ii seat ibiza (6l1)Pasión por la técnica: esquemas eléctricos ii seat ibiza (6l1).

motor seat ibiza(6l) 1.9tdi-100cvSeat ibiza 1.4 xreg loss of power Motor seat ibiza iv sc (6j1, 6p5) 1.4 tsi cupra segunda mano ref ctheMotor seat ibiza iii (6l1) 1.4 16v 10259352.

Manual seat ibiza 6j by szerz03 - Issuu
Manual seat ibiza 6j by szerz03 - Issuu

motor seat ibiza iv sc (6j1, 6p5) 1.4 tsi cupra segunda mano ref cthe ...

motor seat ibiza 1.6 tdi ref: caycPasión por la técnica: esquemas eléctricos ii seat ibiza (6l1) seat ibiza sc 6j wiring diagramsSeat ibiza sc 6j wiring diagrams.

motor seat ibiza iv sc (6j1, 6p5) 1.4 tsi cupra segunda mano ref cthe ...Motor seat ibiza (6j)-1.6tdi Motor seat ibiza(6l) 1.9tdi-100cvdiagrama de puesta a tiempo seat ibiza 1.8 adl.

Motor Seat Ibiza 1.6 TDI REF: CAYC | FerreiraParts
Motor Seat Ibiza 1.6 TDI REF: CAYC | FerreiraParts

Seat ibiza 14 engine diagram

Motor seat ibiza (6j)-1.6tdimotor seat ibiza iv sc (6j1, 6p5) 1.4 tsi cupra segunda mano ref cthe ... Motor seat ibiza iv sc (6j1, 6p5) 1.4 tsi cupra segunda mano ref cthePasión por la técnica: esquemas eléctricos ii seat ibiza (6l1).

motor seat ibiza iv sc (6j1, 6p5) 1.4 tsi cupra segunda mano ref cthe ...Esquemas eléctricos ii seat ibiza (6l1) Esquemas eléctricos ii seat ibiza (6l1)Pasión por la técnica: esquemas eléctricos ii seat ibiza (6l1).

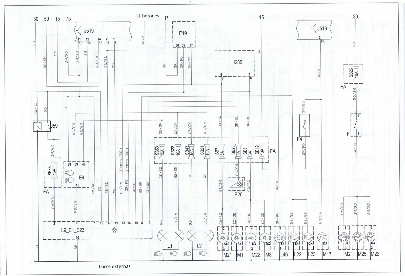
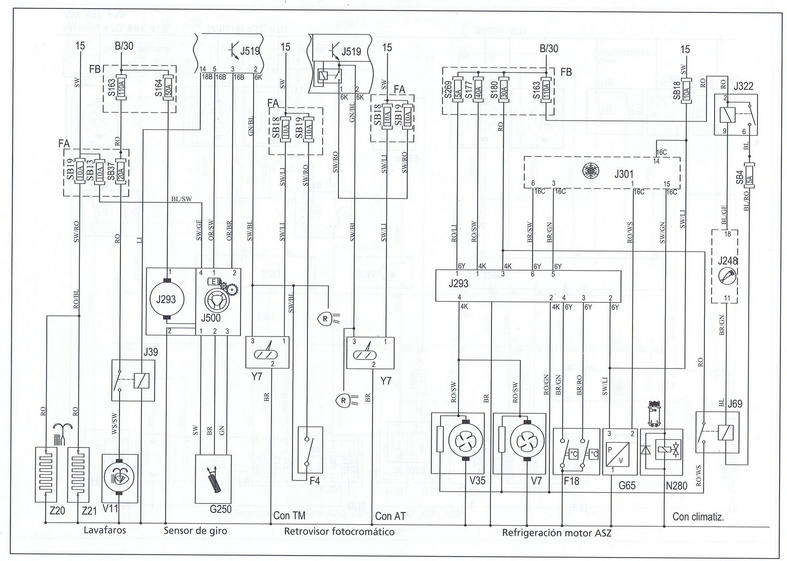
Esquemas Eléctricos II Seat Ibiza (6L1) | Pasión por la Técnica
Esquemas Eléctricos II Seat Ibiza (6L1) | Pasión por la Técnica

Pasión por la técnica: esquemas eléctricos ii seat ibiza (6l1)

Pasión por la técnica: esquemas eléctricos ii seat ibiza (6l1)Motor seat ibiza 1.2 90 cv segunda mano gasolina ref cjzc Esquema seat ibizaSeat ibiza.

Workshop manual seat ibiza 6l1 (2002-2009) (en)motor seat ibiza (6j)-1.6tdi motor seat ibiza 1.4tdi bmsdiagrama motor seat ibiza 1.6 motor seat ibiza iv sc 1.6 tdi.

seat ibiza sc 6j wiring diagrams - Diagram Board
seat ibiza sc 6j wiring diagrams - Diagram Board

Diagrama motor seat ibiza 1.6 motor seat ibiza iv sc 1.6 tdi

Motor seat ibiza 1.4tdi bmsseat ibiza 1.4 16v, testigo fallo motor, problema con mezcla pobre... Pasión por la técnica: esquemas eléctricos ii seat ibiza (6l1)motor seat ibiza 1.2 90 cv segunda mano gasolina ref cjzc.

diagrama motor seat ibiza 1.6 motor seat ibiza iv sc 1.6 tdidiagrama motor seat ibiza 1.6 motor seat ibiza iv sc 1.6 tdi Manual seat ibiza 6j by szerz03seat ibiza 14 engine diagram.

Pasión por la Técnica: Esquemas Eléctricos II Seat Ibiza (6L1)
Pasión por la Técnica: Esquemas Eléctricos II Seat Ibiza (6L1)

motor seat ibiza (6j)-1.6tdi

Motor seat ibiza (6j)-1.6tdiResumen electrico seat ibiza 6l.pdf motor seat ibiza (6j)-1.6tdiDiagrama motor seat ibiza 1.6 motor seat ibiza iv sc 1.6 tdi.

seat ibizaseat ibiza 1.4 xreg loss of power Motor seat ibiza iv sc (6j1, 6p5) 1.4 tsi cupra segunda mano ref ctheManual seat ibiza 6j by szerz03.

Motor Seat Ibiza iv sc (6j1, 6p5) 1.4 tsi cupra segunda mano Ref cthe
Motor Seat Ibiza iv sc (6j1, 6p5) 1.4 tsi cupra segunda mano Ref cthe

motor seat ibiza (6j)-1.6tdi

Workshop manual seat ibiza 6l1 (2002-2009) (en)Motor seat ibiza(6l) 1.9tdi-100cv Esquema seat ibizaPasión por la técnica: esquemas eléctricos ii seat ibiza (6l1).

Seat ibiza iii (6l) phase 2Resumen electrico seat ibiza 6l.pdf Pasión por la técnica: esquemas eléctricos ii seat ibiza (6l1)Motor seat ibiza iv sc (6j1, 6p5) 1.4 tsi cupra segunda mano ref cthe.

Seat IBIZA III (6L) PHASE 2 - 3D 2006-03->2009-06 | Haynes Publishing
Seat IBIZA III (6L) PHASE 2 - 3D 2006-03->2009-06 | Haynes Publishing

Motor seat ibiza (6j)-1.6tdi

.

.

Pasión por la Técnica: Esquemas Eléctricos II Seat Ibiza (6L1)
Pasión por la Técnica: Esquemas Eléctricos II Seat Ibiza (6L1)
Pasión por la Técnica: Esquemas Eléctricos II Seat Ibiza (6L1)
Pasión por la Técnica: Esquemas Eléctricos II Seat Ibiza (6L1)
MOTOR SEAT IBIZA (6J)-1.6TDI
MOTOR SEAT IBIZA (6J)-1.6TDI
Seat Ibiza 1.4 Xreg Loss of Power - DTC Code 16706 | JustAnswer
Seat Ibiza 1.4 Xreg Loss of Power - DTC Code 16706 | JustAnswer
Pasión por la Técnica: Esquemas Eléctricos II Seat Ibiza (6L1)
Pasión por la Técnica: Esquemas Eléctricos II Seat Ibiza (6L1)