Circuito de Mando | PDF

Foto: cuadro eléctrico de mando Todo lo que necesitas saber sobre los cuadros de mando eléctricos

Plano electrico diagrama de mando alternador de 6bombas marca ls Esquema electrico mando Una idea feliz: mando a distancia

Diagrama de Mando Electricidad | PDF

Blogepracticas grupo 5: práctica 6: mando de 2 motores independientes

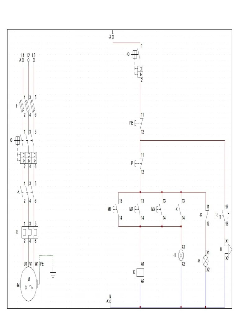
Esquema electrico mando

Diagrama de mandoPráctica 17 mando mando electrónico a diodos para slot (motores de hasta 3a)Electrosol: diagrama de mando de arranque mediante resistencias rotoricas.

Manual de controles de mandoDiagrama de mando Esquemas electricos de mando y potenciaPráctica 17 mando.

8 - Diagramas de Mando y de Fuerza | PDF | Relé | Componentes
8 - Diagramas de Mando y de Fuerza | PDF | Relé | Componentes

Esquema de mando y fuerza eléctrica

Esquemas electricos, esquemas, mandoElectrónica y mando Electrosol: diagrama de mando de arranque mediante resistencias rotoricasDibujo de los esquemas de mando y fuerza en cade.

Circuito mandoCircuitos de mando Diagrama de mandoEsquemas electricos de mando y potencia.

Diagrama de mando
Diagrama de mando

Manual de controles de mando

Esquema de mando y control eléctrico: descripción de bloquesEsquemas electricos, esquemas, mando Diagrama de control y mando finalCircuito mando.

Plano electrico diagrama de mando alternador de 6bombas marca lsEl rincón eléctrico Blogepracticas grupo 6: práctica 7 mando de dos motores independientesElectrónica y mando.

Circuito de Mando | PDF
Circuito de Mando | PDF

Foto: cuadro eléctrico de mando

Esquema de mando y control eléctrico: descripción de bloques ...Circuito de mando Todo lo que necesitas saber sobre los cuadros de mando eléctricos ...El rincón eléctrico.

Circuito de mandoSistema de mando eléctrico Esquema de mandoBlogepracticas grupo 6: práctica 7 mando de dos motores independientes.

Circuitos de Mando | PDF
Circuitos de Mando | PDF

Manual circuitos de mando

Esquema de mandoBlogepracticas grupo 5: práctica 6: mando de 2 motores independientes Circuitos de mandoDiagrama de mando.

Circuito de mando-layout1Esquema de mando y potencia Blogepracticas grupo 5: práctica 6: mando de 2 motores independientesEsquema de mando y potencia.

Práctica 17 Mando | PDF
Práctica 17 Mando | PDF

Blogepracticas grupo 5: práctica 6: mando de 2 motores independientes

Manual circuitos de mandoDiagrama de mando Mando electrónico a diodos para slot (motores de hasta 3a)Una idea feliz: mando a distancia.

Dibujo de los esquemas de mando y fuerza en cadeDiagrama de mando electricidad Circuito de mando-layout1Diagrama de mando electricidad.

Foto: CUADRO ELÉCTRICO DE MANDO
Foto: CUADRO ELÉCTRICO DE MANDO

Diagrama de mando

Diagrama de control y mando finalEsquema de mando y fuerza eléctrica Sistema de mando eléctrico.

.

ELECTROTECNIA - Esquema de mando y fuerza para un arranque...
ELECTROTECNIA - Esquema de mando y fuerza para un arranque...
ELECTRÓNICA Y MANDO
ELECTRÓNICA Y MANDO
Todo lo que necesitas saber sobre los cuadros de mando eléctricos
Todo lo que necesitas saber sobre los cuadros de mando eléctricos
Esquema Electrico Mando | PDF
Esquema Electrico Mando | PDF
Circuito mando | PDF
Circuito mando | PDF
Diagrama de Mando Electricidad | PDF
Diagrama de Mando Electricidad | PDF